이 글은 책 컴퓨터 밑바닥의 비밀 chapter 4.1 의 내용을 읽고 요약한 글입니다.

트랜지스터의 기능은 단자 한쪽에 전류를 흘리면 나머지 단자 두 개에 전류가 흐르게/흐르지 못하게 할 수 있는데 본질은 스위치와 동일하다.
트랜지스터를 이용해 아래의 3가지 회로를 만들 수 있다.
- 논리곱 게이트(AND 게이트): 스위치기 두개가 동시에 켜질 때만 전류가 흐르고 등이 켜짐
- 논리합 게이트(OR 게이트): 두 스위치 중 하나라도 켜져 있으면 전류가 흐를 수 있으며 등이 켜짐
- 논리부정 게이트(NOT 게이트): 스위치를 닫으면 전류가 흘러 등이 켜지지만, 스위치를 열면 전류가 흐르지 않고 등이 꺼짐
연산 능력은 어디에서 나올까?
CPU의 가장 중요한 능력인 연산중 덧셈을 예로 들면, 0과 1만 아는 2진법을 사용
- 0 + 0 의 결과(result)는 0이며, 자리올림수(carry)도 0
- 0 + 1 의 결과는 1, 자리올림수 0
- 1 + 0 의 결과는 1, 자리올림수 0
- 1 + 1 의 결과는 0, 자리올림수 1
먼저 자리올림수는 두 입력 값 두개가 모두 1일 때만 1 ⇒ AND 게이트를 사용하면 된다.
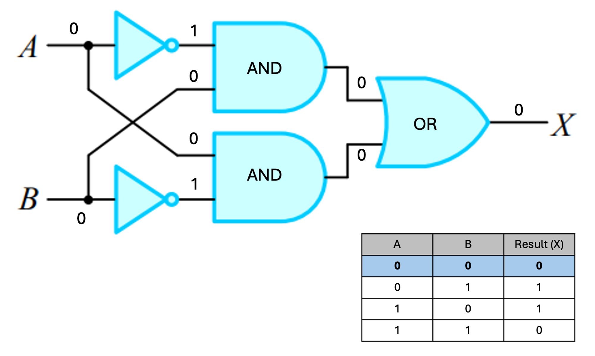
그렇다면 결과는? 두 입력값이 다를 때만 1이고 같으면 0이다. → 배타적 논리합 게이트 (XOR) 을 사용하는데 이도 AND, OR, NOT 게이트로 구성할 수 있다.
⇒ 즉 2진법 덧셈을 AND 게이트 1개, XOR 게이트 1개를 조합해 구현할 수 있다.
배타적 논리 합 게이트 예시
신기한 기억 능력
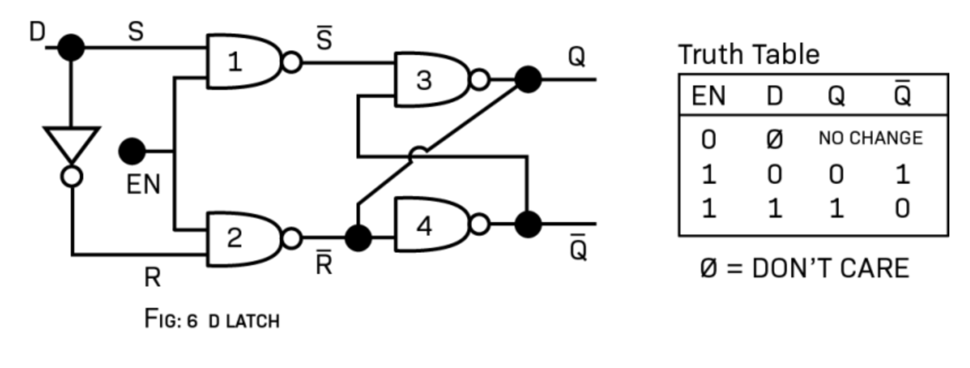
정보를 기억하는 회로란?

- S=1, R=0인 경우 Q는 항상 1을 출력
- S=0, R=1인 경우 Q는 항상 0을 출력하는데 이때 회로에 해당 값이 저장되었다고 할 수 있다.
위는 정보를 저장하기 위해 S, R 단자 값을 동시에 설정해야 하는데 아래처럼 하면 실제로 저장하는데 필요한 입력은 D의 비트 하나이다.
* EN 은 저장 여부를 선택하는데 사용되는 단자

- D단자가 0이면 전체 회로가 저장하는 값은 0
- D단자가 1이면 전체 회로가 저장하는 값은 1
레지스터와 메모리의 탄생
여러비트를 저장하기 위해서는 위의 회로를 복제하여 붙여 넣기만 하면 된다. → 이 조합회로를 레지스터(Register)라고 부른다
전원이 연결되어있는 한 이 회로는 정보를 저장할 수 있지만 전원이 끊기면 정보는 사라짐 → 메모리가 전원이 꺼지면 더이상 데이터를 저장할 수 없는 이유이다.
하드웨어의 기본 기술: 기계 명령
하나하나의 명령어에는 수많은 조합이 있을 수 있으므로 모든 경우를 기계 명령어로 설계하는 것은 불가능하다
⇒ CPU는 작동 방식이나 기능이고, 프로그래머는 명령어 집합을 이용해 전략을 제시하면 된다
소프트웨어와 하드웨어 간 인터페이스: 명령어 집합(Instruction set)
- 명령어 집합: CPU가 실행할 수 있는 명령어와 피연산자를 묶은 것
- 고급 프로그래밍 언어는 컴파일러를 통해 기계 명령어로 변환되는데, 이 집합을 명령어 집합이라 함
'OS' 카테고리의 다른 글
| [책리뷰] 컴퓨터 밑바닥의 비밀: ch4.6 CPU 진화론(상): 복잡 명령어 집합의 탄생 (0) | 2024.09.08 |
|---|---|
| [책리뷰] 컴퓨터 밑바닥의 비밀: ch4.2 CPU는 유휴 상태일 때 무엇을 할까? (0) | 2024.09.08 |
| [책리뷰] 컴퓨터 밑바닥의 비밀: ch3.4 메모리 힙 영역 (0) | 2024.09.01 |
| [책리뷰] 컴퓨터 밑바닥의 비밀: ch3.2 -3.3 메모리 내의 프로세스 (0) | 2024.08.25 |
| [책리뷰] 컴퓨터 밑바닥의 비밀: ch3.1 메모리의 본질, 포인터와 참조 (0) | 2024.08.25 |



